Išorinė multijungtis. Paskirtis: vamzdinių aliuminio profilių prijungimui. Kodas:2.2.050.28.01.001.01.
Vidinė multijungtis. Dinaminės lentynų sistemos multijungtis. Paskirtis: vamzdinių aliuminio profilių prijungimui. Kodas:2.2.050.28.01.001.01.
Rotacinė vidinė jungtis. Pasukama dinaminės lentynų sistemos multijungtis. Paskirtis: vamzdinių aliuminio profilių prijungimui. Kodas:2.2.050.28.02.001.01.
45 laipsnių išorinė jungtis. Dinaminės lentynų sistemos jungtis. Paskirtis: vamzdinių aliuminio profilių prijungimui kampu. Kodas:2.2.050.28.02.003.045.
Kryžminė jungtis vamzdiniam profiliui. Dinaminės lentynų sistemos jungtis. Paskirtis: kryžminiam vamzdinių aliuminio profilių prijungimui. Kodas:2.2.050.28.00.002.01.
45 laipsnių vidinė jungtis. Dinaminės lentynų sistemos jungtis. Paskirtis: vamzdinių aliuminio profilių kampiniam prijungimui. Kodas:2.2.050.28.02.004.045.
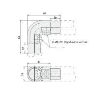
90 laipsnių alkūninė jungtis. Dinaminės lentynų sistemos jungtis. Paskirtis: vamzdinių aliuminio profilių kampiniam prijungimui. Kodas:2.2.050.28.11.004.090.
Dvigubų aliuminio vamzdžių jungtis. Dinaminės lentynų sistemos jungtis. Paskirtis: dvigubų vamzdinių aliuminio profilių kampiniam sujungimui. Kodas: 2.2.050.28.01.005.01.
Dviejų krypčių vamzdinių aliuminio profilių jungtis. Dinaminės lentynų sistemos jungtis. Paskirtis: vamzdinių aliuminio profilių sujungimui. Kodas: 2.2.050.28.01.006.01.
Trijų krypčių vamzdinių aliuminio profilių jungtis. Dinaminės lentynų sistemos jungtis. Paskirtis: vamzdinių aliuminio profilių sujungimui. Kodas: 2.2.050.28.11.007.01.
Trumpa kampinė atraminė jungtis. Dinaminės lentynų sistemos jungtis. Paskirtis: vamzdinių aliuminio profilių kampiniam sutvirtinimui. Kodas: 2.2.050.28.00.009.03.
UAB „Elega“
Žalgirio 131-211, 08217 Vilnius
Tel: +370 5 2715444, +370 5 2715445
Faksas: +370 5 271 54 45
















